• <samp id="s6og2"></samp>
  • <center id="s6og2"></center>
    <samp id="s6og2"><tbody id="s6og2"></tbody></samp>
  • <samp id="s6og2"><pre id="s6og2"></pre></samp>
    <ul id="s6og2"></ul>
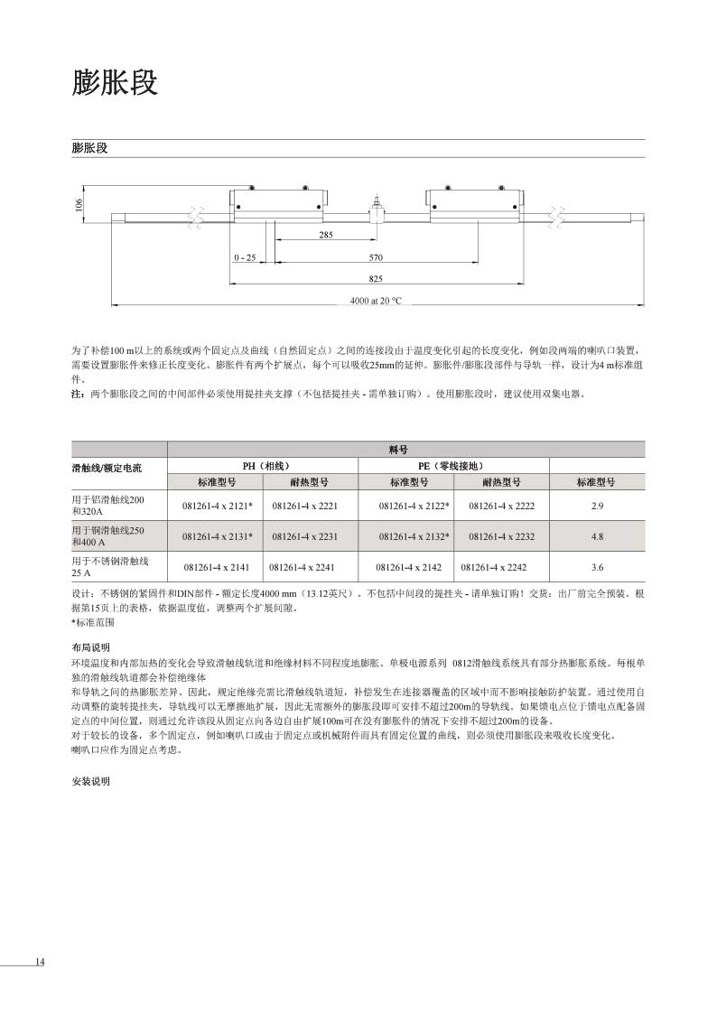
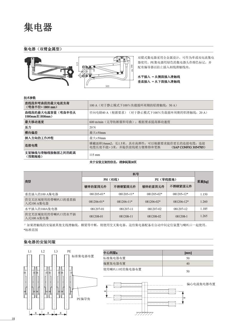
        • KAT0812-0002-CN 0812系列SinglePowerLine單極電源滑觸線 S

        • <samp id="s6og2"></samp>
        • <center id="s6og2"></center>
          <samp id="s6og2"><tbody id="s6og2"></tbody></samp>
        • <samp id="s6og2"><pre id="s6og2"></pre></samp>
          <ul id="s6og2"></ul>